股票代码  003021
主页 > 产品中心 > 仿生灵巧手系统 > 拇指并排直线电机

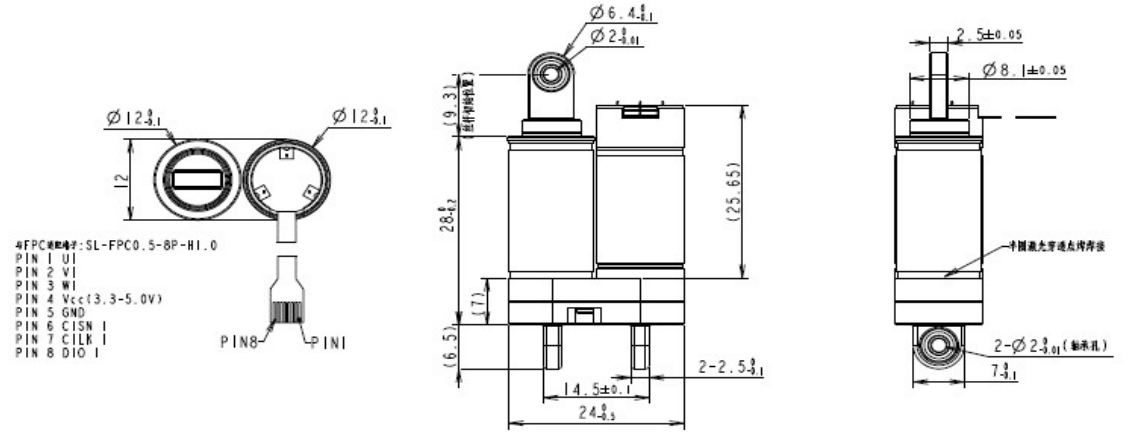
设计图纸

执行器参数

执行器参数
齿轮箱级数 2
电压 12 VDC
空载电流 0.1±15% A
空载移动速度 75±15% mm/s
行程(MAX) 7 mm
额定推拉力 30±15% N
额定电流 0.45±15% A
额定移动速度 54±15% mm/s
瞬间容许推拉力 90 N
减速比 4 /
外形尺寸 12*24 mm
执行器长度 28 mm
建议温度范围 -40~+85
执行器重量 40 g

资料下载

拇指并排直线电机规格书

不朽情缘mg官网 — 微型驱动系统制造商

专注于研发、生产精密驱动系统,为客户提供智能驱动方案设计,零件的生产与组装的定制化服务

立即咨询  >

粤ICP备11019966号     Copyright ? 2023  深圳市不朽情缘mg官网机电股份有限公司  

粤ICP备11019966号
Copyright  2023  深圳市不朽情缘mg官网机电股份有限公司

400-066-2287
服务热线


线

服务热线:400-066-2287
sitemap地图