概述
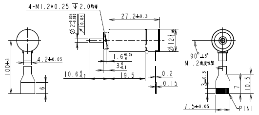
Φ12mm 无刷空心杯电机(MC1226)
产品型号:MC1226
直径(mm):12
长度(mm):26
额定电压(V):12
额定转速(rpm):20970
堵转转矩(mNm):8.9
堵转电流(A) :2.38
转矩常数(mNm/A):3.87
速度常数(rpm/V) :2383
输出轴直径(mm):0.8
电机参数
| 电机数据(额定值) |
|
| 额定电压(V) |
12 |
| 空载转速(rpm) |
28600 |
| 空载电流(A) |
78 |
| 额定转速 (rpm) |
20970 |
| 额定转矩(mNm) |
2.38 |
| 额定电流(A) |
0.69 |
| 堵转转矩(mNm) |
8.9 |
| 堵转电流(A) |
2.38 |
| 最大效率(%) |
67 |
| 电机常数(额定值) |
|
| 相间电阻(Ω) |
5.3 |
| 相间电感(mH) |
0.042 |
| 转矩常数(mNm/A) |
3.87 |
| 速度常数(rpm/V) |
2383 |
| 转速/转矩斜度(rpm/mNm) |
3213 |
| 机械时间常数(ms) |
4.5 |
| 转子惯量(gcm2) |
0.138 |
| 热参数 |
|
| 机壳-环境热阻(K/W) |
38.6 |
| 绕组-机壳热阻(K/W) |
7.5 |
| 绕组热时间常数(s) |
3.2 |
| 电机热时间常数(s) |
210 |
| 环境温度(℃) |
-20~+100 |
| 最高绕组温度(℃) |
+125 |
| 机械参数(滚珠轴承) |
|
| 最大允许转速(rpm) |
40 000 |
| 最大轴向间隙(mm) |
< 0.15 N? ?0 |
| > 0.15 N? ?0.06(max) |
| 径向间隙 |
preloaded |
| 最大轴向动态载荷(N) |
2 |
| 最大允许安静态装力(N) |
10 |
| 最大径向载荷,距离法兰处2mm处(N) |
5 |
*注:以上具体参数可根据客户要求定制。
-
-
MC0820
额定电压5 V
额定转速15000 rpm
堵转转矩1.08 mNm

查看详情
-
资料下载

Φ12mm 无刷空心杯电机(MC1226)规格书
不朽情缘mg官网 — 微型驱动系统制造商
专注于研发、生产精密驱动系统,为客户提供智能驱动方案设计,零件的生产与组装的定制化服务
立即咨询 >